歐冠LD系列高壓風機產品優(yōu)勢
高壓風機一線制造廠家,大風鋁制側通道渦輪真空環(huán)式鼓風機。
1.具備一機兩用功能,同一款產品同時具備吸風和吹風功能。并且還能同時使用吸風和吹風功能。
2.采用的是無油運轉,能使鼓風機輸出的空氣更加的干凈純凈。
3.壓力高、風量大、噪音低、機器重量輕。
4.歐冠德系環(huán)形高壓鼓風機轉子與轉子、轉子與機體之間的間隙小,大大加強了風的壓力。
5.采用特殊葉片設計,其葉片制造精準度高、耐磨損、風力大、使用壽命長。
6.質量可靠、能在海拔5000以上的環(huán)境下正常工作,耐高溫,耐嚴寒。
7.免維護使用,在質保期之內,基本上不需要任何維護。

>工作原理圖:
>
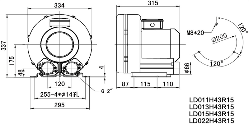
>風機外形尺寸:
>
